33100 Series

33112/Q-33100 Series

  • 33100 Series
  • 33100 Series

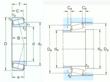
Dimension and Parameters

Designation :33112/Q
Principal dimensions(mm)
d1 :60
D :100
B :30
Basic load ratings(KN)
dyc(Cr) :134
stc(Cor) :170
Pu :19,6
Speed ratings(rpm)
Speed Ratings :5300
Limiting Speed :6300
Weight(Kg) :0,92
ISO335 
Dimensions (ABMA) :3CE
Dimensions (mm)
d :60
d1~ :80,4
B :30
C :23
r1,2(min) :1,5
r3,4(min) :1,5
a :23
Abutment and fillet dimensions (mm)
da(max) :67
db(min) :67
Da(min) :88
Da(max) :93
Db(min) :96
Ca(min) :5
Cb(min) :7
ra(max) :1,5
rb(max) :1,5
Value
e :0,4
Y :1,5
Yo :0,8

EXPLORE OUR PRODUCT RANGE

Download our product overview table to get a complete insight into the solutions we provide across various industries.

If the size required is not available please get in touch to di