7300B Series

7319B-7300B Series

  • 7300B Series
  • 7300B Series

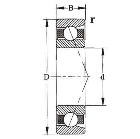
Dimension and Parameters

Bearing No. :7319B
Boundary dimensions(mm)
d :95
D :200
B :45
Basic load ratings(kN)
Dynamic(Cr) :172
Static(Cor) :154.1
Limiting speed(rpm )
Grease :2800
Oil :4000
Mass
Kg :6.4

EXPLORE OUR PRODUCT RANGE

Download our product overview table to get a complete insight into the solutions we provide across various industries.

If the size required is not available please get in touch to di