Double row ball slewing bearing (External gear type)

E.712.2.25.12.D.6-Double row ball slewing bearing (External gear type)

  • Double row ball slewing bearing (External gear type)
  • Double row ball slewing bearing (External gear type)

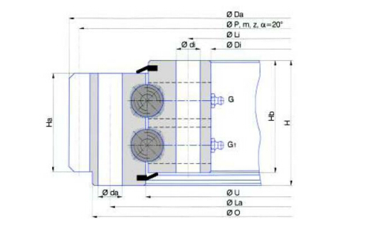
Dimension and Parameters

Designations :E.712.2.25.12.D.6
Boundary Dimension (mm)
Da :712
Di :470
H :98
Bolt Hole Diameter (mm)
La :24
Li :17
na3) :24
ni3) :17
m :8
z :87
Weight
(Kg) :103

EXPLORE OUR PRODUCT RANGE

Download our product overview table to get a complete insight into the solutions we provide across various industries.

If the size required is not available please get in touch to di